【導讀】在主動均衡系統設計中,算法是駕馭硬件能量流動的智慧中樞。算法的復雜度與效能,往往直接受到其所依賴的硬件架構的制約。因此,如何在與簡潔硬件架構協同的過程中,設計出同樣高效、低復雜度的均衡策略,是實現卓越BMS設計的關鍵挑戰。本文聚焦于均衡算法的核心邏輯、設計原則及與特定硬件架構的協同優化方法,旨在剖析如何通過算法決策提升均衡效率與系統可靠性。雖然文中討論的算法與特定硬件架構深度綁定,但其揭示的設計權衡、優化思路與實現框架,可為工程師在面對不同架構時提供普適性的靈感與方法論指導。
摘要
在主動均衡系統設計中,算法是駕馭硬件能量流動的智慧中樞。算法的復雜度與效能,往往直接受到其所依賴的硬件架構的制約。因此,如何在與簡潔硬件架構協同的過程中,設計出同樣高效、低復雜度的均衡策略,是實現卓越BMS設計的關鍵挑戰。本文聚焦于均衡算法的核心邏輯、設計原則及與特定硬件架構的協同優化方法,旨在剖析如何通過算法決策提升均衡效率與系統可靠性。雖然文中討論的算法與特定硬件架構深度綁定,但其揭示的設計權衡、優化思路與實現框架,可為工程師在面對不同架構時提供普適性的靈感與方法論指導。
引言
在本系列文章的前幾部分中,討論重點主要集中在如何選擇合適的集成電路(IC)與元器件,以構建主動均衡電路或架構。由于均衡算法在主動均衡系統中舉足輕重,因此有必要對其進行深入探討。
因此,本文旨在嘗試開發一種專門針對本系列所介紹的均衡架構的算法。目標是提供一套高效、簡潔且易于部署和評估的主動均衡算法參考設計,幫助工程師及從業者快速實現、測試,并直接觀察ADI解決方案在電池包中的實際均衡性能。
話雖如此,有一點值得反復強調:盡管本文所提出的均衡算法強調簡潔性與高效性,但在實際應用中,不存在任何一種單一算法能一勞永逸地應對所有電芯不一致場景。任何均衡策略在投入實際電池系統使用前,都必須經過全面的評估與驗證。
主動均衡圖形用戶界面軟件
基于本系列之前文章中介紹的主動均衡概念,主動均衡系統的控制代碼主要部署在兩個位置:嵌入式微控制器(MCU)和基于個人電腦(PC)的主動均衡圖形用戶界面(GUI)。MCU的作用與功能已在之前的文章中討論過,本部分將重點介紹PC端評估軟件,即主動均衡GUI。
圖1和圖2展示了本設計架構中所用GUI界面的截圖。為避免視覺混亂,僅對功能不直觀的部分進行了標注,以確保清晰明了。
該GUI既是MCU與電腦之間的通信橋梁,也提供實時數據可視化功能,可顯示電芯電壓、指示每個電芯的均衡狀態,并捕獲和記錄系統故障或異常運行情況。最重要的是,該GUI集成了自動化主動均衡算法,因而不僅是一款監控工具,更是執行均衡過程的關鍵驅動程序。

圖1.主動均衡GUI:顯示電芯電壓、均衡狀態和錯誤警報的圖形界面。

圖2.主動均衡GUI:調試期間用于監控MCU與GUI數據交互的日志窗口。
主動均衡算法下的性能表現
本設計架構支持主動均衡過程的兩種控制模式:手動均衡控制和全自動算法控制。
1.手動均衡控制
在手動模式下,用戶可直接發送指令,對單個電芯進行充電、放電或禁用均衡操作。該模式適用于診斷測試,或針對特定電芯執行定向均衡干預與微調。
2.自動化主動均衡算法
在自動模式下,操作流程經過簡化以提升易用性:將電池包連接至系統、啟動GUI軟件、建立與MCU的串行通信,然后點擊AUTO_ENABLE按鈕。此后,系統將自動使所有16個電芯達到相同電壓水平,無需用戶進一步干預。
圖3至圖5展示了在啟用自動化均衡功能的情況下,三種不同運行狀態(充電、放電、空閑)下電芯電壓的收斂過程。測試所用的電池包中包含16個鎳錳鈷(NMC)鋰離子電芯,每個電芯的額定容量為40 Ah。
?充電狀態:使用最大電流為10 A的充電器為電池包充電,電芯電壓從約3.65 V升至接近4.1 V。
?放電狀態:將電池組連接至10 Ω的大功率電阻負載,電芯電壓從約3.85 V降至約3.65 V。
?空閑狀態:電池包處于空閑狀態,未連接充電器或負載。
在所有這三種情況下,測試開始時均有意使電芯電壓處于不均衡狀態,以更好地展示主動均衡電路的收斂效果。當所有電芯的電壓偏差收斂到閾值范圍內(定義為與平均電壓的差值在±3 mV以內)時,自動均衡停止條件被觸發,實驗隨即終止。
如圖3至圖5所示,啟用自動化算法后,16個電芯的電壓收斂到了較窄的容差范圍內。由此證明,所提出的架構與算法不僅在空閑狀態下,在充電和放電階段均能實現穩定且有效的均衡。

圖3.電池包以最大電流10 A充電,啟用自動化主動均衡算法。

圖4.電池包通過10 ?大功率電阻放電,啟用自動化主動均衡算法。

圖5.電池包處于空閑狀態,啟用自動化主動均衡算法。
自動化均衡算法的執行邏輯
自動化均衡算法以循環、順序的方式運行:依次對16個電芯進行均衡,之后重復該過程。它不會嘗試在一次循環中完全平衡單個電芯,而是采用輪詢策略,執行多次短時間的均衡周期。這種方式可避免單個電芯的均衡停留時間過長,因為停留過長會降低整體均衡效率,還可能影響電池包安全性。持續聚焦單個電芯的均衡,還可能導致其他長時間空閑的電芯面臨過充或過放風險。通過在所有電芯間分配均衡任務,電芯電壓偏差能高效收斂至預設的停止閾值。
算法根據電芯分組,采用兩種互補的均衡方法:
1. 緩沖區均衡(2-9號電芯)——相對均衡
?計算緩沖區組(2-9號電芯)的平均電壓,記為Avg(2-9)。
?每個緩沖區電芯(2-9號)均以Avg(2-9)為基準進行均衡,而非以電池包整體平均電壓(AvgALL)為基準。
2. 獨立電芯均衡(1號、10-16號電芯)——絕對均衡
?計算全部16個電芯的電池包整體平均電壓,記為AvgALL。
?每個獨立電芯(1號、10-16號)均以AvgALL為基準進行均衡,向該電壓值靠攏。
無論是緩沖區電芯還是獨立電芯,其均衡方向(充電或放電)與均衡時長,均由各個電芯電壓偏差的正負符號和偏差幅度決定。盡管均衡時長大致與偏差幅度成正比,但不會出現單個電芯主導整個均衡過程的情況。算法通過短時間、迭代式的循環遍歷所有電芯,確保電壓偏差快速、穩定地收斂。
均衡過程的最終目標是讓電池包內所有電芯的電壓盡可能接近AvgALL。將算法劃分為“緩沖區組相對均衡”與“獨立電芯絕對均衡”,原因是為了提升效率:如果緩沖區電芯直接以AvgALL為基準均衡,它們在作為其他電芯的能量儲備庫時,會反復經歷充放電循環,導致均衡收斂效率低下。通過相對均衡,先讓緩沖區電芯電壓與Avg(2-9)對齊,再以緩沖區整體為獨立電芯充放電,系統能實現更快的整體收斂。在一個完整均衡周期結束時,Avg(2-9)與AvgALL可能并非完全一致,但會非常接近,從而確保整個電池包達到良好的均衡狀態。
為進一步提升效率與可靠性,倘若某一電芯的電壓偏差已在容差范圍內,或檢測到異常情況,算法會跳過這一電芯,繼續處理下一個符合條件的電芯。
架構設計原理與基于緩沖區的均衡機制
細心的讀者或許會發現,上述均衡策略與理想的全雙向電芯間均衡拓撲存在差異。原因一目了然:若不引入極高的架構復雜度,要在電池包內任意兩個電芯之間實現真正的直接雙向能量傳輸,在實際應用中并不可行。
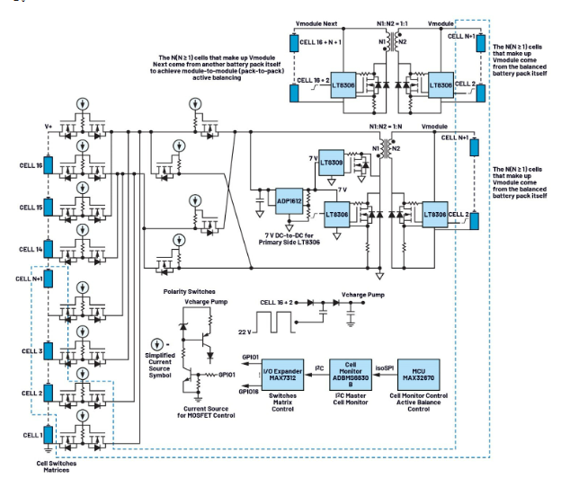
為解決這一難題,該算法借助中間充電緩沖區實現間接均衡。具體而言,電池包內n個相鄰的電芯被指定為緩沖區。這一配置在均衡架構圖(圖6)中也有體現,圖中緩沖區被描繪為由這n個連續電芯組成的模塊。
傳統設計依賴獨立的外部電源(如大容量12 V或24 V電池)作為緩沖區,而本架構則完全利用電池包內部已存儲的能量運行。這種方式不僅提高了系統整體效率,還降低了軟硬件的設計復雜度。
本架構與算法中的均衡過程通過兩步式能量傳輸實現。
1. 電芯到緩沖區放電:將過充電芯的能量轉移至緩沖區電芯中。
2. 緩沖區到電池充電:而后將緩沖區的能量重新分配給欠充電芯。
這種兩步式流程,在功能上等效于實現了雙向電芯間均衡,同時避開了直接一對一傳輸拓撲的工程復雜度。這種拓撲雖被視為理想的均衡形式,但因其電路復雜度高、成本高,在大型電池包中往往難以落地。在這種方法中,當某個電芯需要充電時,所需能量會從緩沖區電芯中統一獲??;反之,當某個電芯需要放電時,其多余能量會被均勻重新分配回緩沖區電芯。

圖6.基于LT8306、LT8309、ADP1612、MAX7312、ADBMS6830和MAX32670的主動均衡電路架構圖。
臨時暫停和重新激活自動均衡的條件
當2到9號電芯相對Avg(2-9)的電壓偏差降至設定閾值(例如±3 mV)以下,且1號、10到16號電芯相對AvgALL的電壓偏差也處于同一閾值內時,自動化均衡過程會臨時暫停。此時,Avg(2-9)與AvgALL可能并非完全一致,但會十分接近。滿足這些條件后,算法將轉入待機狀態,等待下一次均衡觸發。
自動化均衡算法在激活狀態下,會持續輪詢電池系統,判斷是否需要啟動均衡。觸發條件可由用戶配置,默認觸發邏輯為:當16個電芯中最高電芯電壓與最低電芯電壓的差值超過10 mV時,啟動均衡。
算法激活后,會持續運行直至滿足暫停條件,隨后停止并等待下一次觸發事件。如前所述,暫停條件保持不變,此處不再贅述。
為避免均衡過程過度循環及不必要的能量損耗,在觸發閾值(10 mV)與暫停閾值(±3 mV)之間設置了“滯回帶”。這可確保僅當電芯出現顯著電壓偏差時,均衡才會重新激活,從而同時提升系統效率與使用壽命。
特殊注意事項
由于電芯電壓采樣線束與主動均衡線束共用同一布線,且受本系列之前文章提及的線路電阻(Rroute)及大均衡電流的共同影響,主動均衡過程中會出現電壓降。如圖7至10所示,該電壓降會影響電芯電壓測量的準確性。因此,必須定期暫停主動均衡,以獲取準確的電壓讀數。
?如果暫停過于頻繁,會降低均衡效率。
?如果暫停間隔過長,可能導致過度均衡。
在本架構中,算法會根據觀測到的電壓偏差估算所需均衡時長,例如每5 mV偏差對應約1分鐘均衡時間。達到計算出的時長后,均衡會自動暫停以進行準確的電壓測量,隨后算法將決定下一步操作。
這種自適應時序策略相比固定間隔方式提升了效率,但它依賴于“充放電電流接近恒定”這一前提。在本設計中,電流穩定性通過直接從電池包獲取緩沖區電壓而非依賴外部電源來實現,即便電芯電壓在3.0 V至4.2 V之間變化,也能確保電流接近恒定。
盡管組合使用采樣線束與均衡線束會在均衡期間引入測量誤差,但也帶來了顯著優勢:
?減少線束數量,簡化布線,節省印刷電路板(PCB)空間。
?均衡期間觀測到的電壓降可作為運行狀態指示器,幫助確認主動均衡電路是否正常工作。

圖7.主動均衡功能未激活時,電芯電壓測量值保持穩定。

圖8.主動均衡運行期間,為特定電芯充電時對電壓測量的影響。

圖9.主動均衡運行期間,為特定電芯放電時對電壓測量的影響。

圖10.主動均衡運行期間,均衡電流對電芯電壓測量的影響:左側為電芯充電,右側為電芯放電。
結語
本系列關于主動均衡的文章至此告一段落。盡管我們竭盡全力,試圖在有限的篇幅內將這一系統性設計的方方面面詳盡呈現,但受限于篇幅,仍有許多復雜的設計要點,尤其是本主動均衡方案中完整的軟件編程細節,無法在此一一詳述。本系列文章的核心愿景,是激發對電池主動均衡技術懷有熱忱的工程師和電子愛好者們的探索欲望與創新靈感。我們由衷地期望讀者們,既能直接運用文中介紹的設計方案,也能以此為起點,深入鉆研、不斷拓展,通過持續創新,打造出既簡潔又高效的主動均衡解決方案。
推薦閱讀:
權威認證+生態合作,兆易創新車規芯片獲ISO 21434與ASPICE CL2國際認可





