【導讀】在電池管理系統(BMS)設計中,均衡能力直接決定著電池包的性能上限與壽命終點。傳統被動均衡方案因能量耗散與效率問題,已難以滿足高能量密度電池組的管理需求。本文旨在深入剖析幾種主流主動均衡技術的優勢與局限,并探討如何通過創新的拓撲融合思路,構建一種在復雜度與效能間取得最佳平衡的實用解決方案。文章將進一步論證,在大型電池系統中,電池包(PACK)之間的系統級均衡與電芯(Cell)之間的單元級均衡具有同等重要的戰略意義,共同構成了完整的高效能量管理閉環。
摘要
在電池管理系統(BMS)設計中,均衡能力直接決定著電池包的性能上限與壽命終點。傳統被動均衡方案因能量耗散與效率問題,已難以滿足高能量密度電池組的管理需求。本文旨在深入剖析幾種主流主動均衡技術的優勢與局限,并探討如何通過創新的拓撲融合思路,構建一種在復雜度與效能間取得最佳平衡的實用解決方案。文章將進一步論證,在大型電池系統中,電池包(PACK)之間的系統級均衡與電芯(Cell)之間的單元級均衡具有同等重要的戰略意義,共同構成了完整的高效能量管理閉環。
引言
主動均衡設計的簡潔與高效,絕非華而不實的宣傳噱頭。本文將審視并介紹目前市場上廣泛采用的幾種主動均衡解決方案。我們將分析每種方法的優缺點,目的是整合它們的優勢,形成一種更具實用性、更能實現簡潔與高效設計的解決方案。最后,我們將強調,盡管大多數現有主動均衡設計主要關注電芯之間的均衡,但電池包之間的均衡同樣重要,不容忽視。
市場上現有的幾種主動均衡解決方案
本系列文章的第一部分討論了主動均衡在電池管理系統(BMS)中的重要性。事實上,市面上早已存在多種主動均衡解決方案。這里將重點介紹圖1展示的三種常見主動均衡解決方案。限于篇幅,這里無法探討所有可用解決方案,但本文介紹的三種方案極具代表性。這三種主動均衡解決方案分別基于反激、多電感和開關電容,利用了電路中廣泛使用的三種儲能元件:變壓器、電感和電容。表1總結了這三種主動均衡解決方案的工作原理及優缺點。
圖1.三種最具代表性的主動均衡解決方案架構:反激式(左)、多電感(中)和開關電容(右)
表1.三種主動均衡解決方案的工作原理和優缺點比較
簡化主動均衡:更巧妙的設計方法
如上文所述,傳統的主動均衡解決方案要么復雜昂貴,要么簡單經濟但效率低下。本文探討的關鍵問題是如何在確保主動均衡設計足夠簡潔的同時,維持出色的效率。
重新評估主動均衡的設計要求
得益于日益先進的電池制造技術和嚴格的質量控制流程,單體電芯的性能,尤其是規格相同且來自同一制造商的電芯的性能,通常高度一致。然而,單體電芯通常不會直接出售給電動汽車(EV)或儲能系統(ESS)市場中的終端用戶。相反,專業電池包制造商會將多個規格相同的新電芯組裝成中高壓電池包,然后將其出售給電動汽車和儲能系統制造商這樣的終端用戶。
由此不難明白,對于新組裝的電池包,內部的電芯應具有相似且一致的性能。但需要注意的是,在新電池包首次使用之前,電池包中各個電芯的電壓和荷電狀態(SOC)未必一致。這是因為,新制造的電池不一定會在生產出來后就立即組裝成電池包。此外,在電池包完成組裝后,產品運送到終端用戶并投入實際使用之前,也會需要一些時間。
在長時間的儲存或運輸期間,無論是對于單體電芯還是組裝好的電池包,電芯之間的電壓和SOC不均衡很容易發生。這個問題并不少見。新的(或相對較新的)電池包經過長時間儲存或運輸后,如果出現不均衡跡象,并不一定表明電芯性能不匹配。事實上,這些電芯仍可能具有非常相似的特性。務必注意,性能相似并必然意味著電壓或SOC水平相似,尤其是在經過長時間儲存或運輸之后。
因此,對于已儲存或運輸較長時間的電池包或電芯,在投入使用之前,一般建議進行主動或被動均衡處理。
除了儲存和運輸場景之外,還有一個需要注意的情況:隨著電池包運行時間的延長及充放電循環次數的增加,單體電芯之間的性能差異可能較電池包組裝初期有所擴大。
隨著儲能系統容量的持續增長,單體電芯的容量現在已達到320 Ah、600 Ah,甚至1000 Ah。其中,320 Ah代表以前的主流容量,600 Ah正成為當前標準容量,而1000 Ah被視為未來方向,有些制造商已經實現1000 Ah高容量電芯的量產能力。
對于不具備主動均衡能力或僅使用被動均衡的大容量電池包,電芯之間的初始微小不均衡隨著時間的推移,可能會逐漸演變為顯著的不匹配,原因是均衡能力有限,而且長期充放電循環會帶來累積效應。最終,這種電芯不匹配可能導致電池包在實際運行過程中出現顯著的容量損失和安全風險(例如過充和過放)。
主動均衡的兩個關鍵作用
電池包內電芯不匹配問題幾乎無法避免,主動均衡因此成為改善性能的必要手段,可實現如下兩大功能:
1. 預防功能:在沒有顯著不匹配的電池包中,電芯狀況良好,性能差異極小。在這種情況下,主動均衡的工作量相對較輕。如果將主動均衡比作監測電芯健康狀況的醫生,那么它只需定期對電芯進行檢查即可。這種簡單的監測有助于防止或延遲性能差異的放大,使電芯不匹配的可能性最小化,并有效延長電池包的使用壽命。
2. 糾正功能:在已經存在較弱或不健康電芯的電池包中,主動均衡可利用靈活性、大均衡電流和快速均衡特性,在較弱、不健康和表現良好的電芯之間重新分配電荷。由此可以有效延長受電芯不匹配影響的電池包的使用壽命,確保電池包安全穩定地運行,同時降低過充和過放的風險。更重要的是,電芯不匹配對電池包容量損失的影響被盡可能降低。在此階段,主動均衡如同外科醫生,努力緩解電芯不匹配問題并延長電池包的使用壽命。
為何要簡化設計?具體如何實現?
既然上述三種主流的主動均衡解決方案已經在市場上得到廣泛應用,為什么還要繼續進一步簡化主動均衡設計?原因在于,雖然這三種解決方案(及其他未介紹的方法)都已成熟且有效,但它們仍然存在相當大的改進潛力。
本文的主要目標是分析過去的解決方案,綜合利用各種主流方法的優勢,形成一種更具實用性、更能實現簡潔與高效設計的解決方案。
例如,反激式隔離主動均衡架構的特點是效率高,特別是需要在非相鄰電芯之間進行均衡時,這種架構的性能明顯優于其他方法。另一方面,基于多電感和開關電容的主動均衡方法在均衡相鄰電芯時表現出色,控制邏輯更簡單,運行穩定且性能強大。
總之,如果期望簡化后的解決方案能夠實現高均衡效率,則應優先考慮基于反激的均衡電路架構。然而,基于反激的均衡電路通常需要變壓器,而使用大量變壓器會導致成本增加、系統體積增大,控制邏輯變得更加復雜。因此,當追求簡化設計時,務必在保持高效率的同時,盡量減少變壓器的數量。對此,容易想到的一個思路是讓電池包內的所有電芯共享同一反激電路和變壓器。
但是,僅僅簡化硬件和減少變壓器數量還不夠??刂七壿嫼瓦\行策略的簡化也同樣重要。主動均衡是一種系統級解決方案,設計人員不僅需要考慮使用哪些IC和元件來實現能量傳輸(屬于硬件設計),還必須密切關注均衡策略,即主動均衡算法的設計(屬于系統軟件設計)。
一般而言,電池均衡算法的設計取決于所支持的硬件架構。因此,在簡化均衡硬件設計的同時降低算法設計的復雜度,仍然是一個必須解決的關鍵挑戰。
一種經過簡化的主動均衡設計
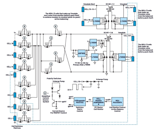
基于上文討論的概念,本文提出了一種簡單而高效的主動均衡解決方案,如圖2所示。這種設計具有一個16電芯的電池包,利用兩個獨立的反激電路和兩個變壓器:一個用于電芯之間的均衡,另一個用于電池包之間的均衡。
在電芯間均衡部分,所有16個電芯共享一個基于反激的主動均衡電源電路。通過開關矩陣選擇性地將均衡電路連接到不同電芯,實現對相同硬件資源的分時利用。這種設計既簡單又精巧,避免了不必要的復雜性,同時保持了高效率和穩健的性能。因此,這種方法在主動均衡系統設計中表現出顯著的優勢。
此外,這種解決方案支持單體電芯之間和多個電池包之間的雙向均衡,顯著增強了跨電池包均衡的有效性。常規解決方案往往依賴外部獨立電源(如單獨的12 V或24 V電池)來支持電芯間甚至電池包間的均衡,但這種設計則不同,它完全利用電池包內部的能量實現均衡。這樣不僅提高了系統整體效率,還減少了硬件和軟件設計的復雜度。
關于簡化的均衡算法設計,將在本系列文章的第三部分詳細討論。然而,這種算法有如下兩個關鍵原則:
1. 在電池包內實現真正的雙向電芯間均衡會導致設計過于復雜,因此這種算法依賴中間充電緩沖區來實現間接均衡。具體而言,電池包內的n個相鄰電芯被指定為緩沖區。然后通過兩步流程實現均衡:電芯到緩沖區放電,隨后是緩沖區到電芯充電,從而有效模擬單體電芯之間的雙向電荷轉移。
2. 在電芯到緩沖區放電期間,源電芯的能量均勻分配到n個緩沖電芯中。而在緩沖區到電芯充電期間,目標電芯所需的能量均勻地從n個緩沖電芯中獲取。
這種方法在簡化硬件架構的同時,依然具備高性能均衡能力,在成本、效率與實際應用價值之間實現了理想平衡,因而成為先進BMS部署的高度實用且可擴展的解決方案。
圖2.經過簡化的主動均衡解決方案的示意圖,采用LT8306、LT8309、ADP1612、MAX7312、MAX32670和ADBMS6830B
為什么電池包之間的均衡同樣重要
在繼續討論建議的解決方案之前,讓我們首先探討為什么電池包之間的均衡也非常重要。
在由BMS和電池包組成的系統中,當BMS工作時,多個電路模塊會消耗電力,包括電芯監控、隔離通信、溫度傳感器、主動均衡和被動均衡等。然而,讓不同BMS電路實現相同的功耗水平非常有挑戰性。即使兩個BMS電路的功耗幾乎相同,但如果它們監控的電池包具有不同數量的電芯(并不罕見),情況也會變得更加復雜。
在這種情況下,電芯較少的電池包需要為其電芯監控器提供更大的IMONITOR電流。隨著時間推移,供電電流的差異會累積,兩個電池包之間的不均衡會變得更加嚴重。如果沒有適當的均衡調整,這種差異會導致電池包的容量顯著不匹配。因此,電池包之間的均衡同樣重要。參見圖3。
圖3.電池包之間不匹配情況的示意圖
結語
本文介紹了市場上常見的幾種主動均衡架構。通過綜合利用每種架構的優勢,我們提出了一種更具實用性、更能實現簡潔與高效設計的解決方案。
然而,必須要承認的是,盡管這種均衡解決方案注重簡潔與高效,但在實際應用場景下,任何單一設計都無法輕松解決所有電芯不匹配問題。隨著單體電芯容量從320 Ah提升到600 Ah,甚至1000 Ah,電芯不匹配問題會更加明顯。在這種情況下,任何均衡策略在部署到電池包之前,都必須進行仔細評估和驗證。
ADI公司提供的解決方案涵蓋了幾乎所有主流的主動均衡架構,包括本文討論的三種架構。每種架構都有其優點、局限性和理想應用場景。系統設計人員可以根據具體需求,靈活選擇合適的解決方案。
推薦閱讀:
簡單制勝——第一部分:化繁為簡!BMS秉承簡單制勝原則兼顧效率與成本
Cadence與愛芯元智強強聯合,為智能設備打造高性能“芯”引擎





