【導讀】本文將從控制原理出發,系統闡述該架構在提升系統能效與動態響應方面的顯著優勢,并深入分析其在不同工作模式下存在的瞬態響應制約因素。最后,結合實際應用區域,提供一系列行之有效的性能優化策略,助力電源設計實現更穩定、更迅捷的負載響應。
本文將從控制原理出發,系統闡述該架構在提升系統能效與動態響應方面的顯著優勢,并深入分析其在不同工作模式下存在的瞬態響應制約因素。最后,結合實際應用區域,提供一系列行之有效的性能優化策略,助力電源設計實現更穩定、更迅捷的負載響應。
H橋降壓-升壓集成電路(IC)通常用于即使系統電池電壓降至較低水平時仍需要恒定電壓或電流源的應用中。當需要單級轉換器且輸出電壓可高于或低于輸入電壓時,通常會使用此類IC。此外,此類IC可用作LED應用的電流源,從而將典型的先升壓后降壓的設計簡化為單級設計。由于耦合電感的成本問題,與其他降壓-升壓拓撲(如單端初級電感轉換器(SEPIC))相比,此類 IC可能更受青睞。
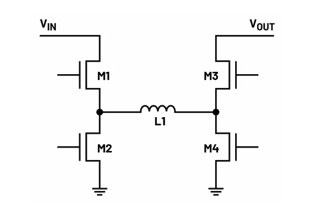
顧名思義,H橋降壓-升壓架構是將降壓電路和升壓電路組合成單個轉換器的復合結構。其中需要用到四個開關,這些開關通過檢測輸出與輸入之間的比率來確定工作模式,從而調節輸出。

圖1. 典型的H橋降壓-升壓配置。
H橋降壓-升壓轉換器通過在多種模式中切換來工作。當輸入電壓遠高于輸出電壓時,電路將通過切換開關1和開關2以純降壓模式運行(見圖1)。當輸入電壓遠低于輸出電壓時,電路將通過切換開關3和開關4以純升壓模式運行(見圖1)。當輸入電壓接近輸出電壓時,電路將以降壓-升壓模式運行。在這種模式下,有幾種方法可以控制四個開關以實現適當的調節。
為了確定工作模式,電路必須檢測輸出與輸入的比率。然后將該比率與內部設定值進行比較,以確定工作模式。通常,這些值會設置一定的滯后量,以確保在輸入電壓上升和下降時,不同工作模式之間能夠平滑過渡。
當降壓模式的內部比較器因輸出電壓顯著低于輸入電壓而觸發時,電路將作為純降壓轉換器運行。要在降壓區域工作,開關3必須始終閉合,開關4必須始終斷開。隨后,開關1和開關2可像在普通強制脈寬調制(FPWM)降壓轉換器中那樣切換LX1(見圖2)。

圖2. 18 V至12 V降壓工作模式。
當升壓模式的內部比較器因輸出電壓顯著高于輸入電壓而觸發時,電路將作為純升壓轉換器運行。要在升壓區域工作,開關1必須始終閉合,開關2必須始終斷開。隨后,開關3和開關4可像在普通強制脈寬調制(FPWM)升壓轉換器中那樣切換LX2(見圖3)。

圖3. 6 V至12 V升壓工作模式。
當輸出電壓接近輸入電壓(略高或略低)時,電路將在降壓-升壓區域工作。
通過降壓-升壓交替控制,電路將通過在降壓側和升壓側之間交替切換來調節輸出。具體而言,電路初始時將運行降壓開關,而占空比由補償電壓設定。降壓開關會在一個完整的開關周期內工作,之后電路切換至升壓側。一旦降壓側完成一個完整周期,升壓側將開始切換,其占空比同樣由補償電壓控制。這種工作方式允許H橋的兩側根據需要調整每個降壓和升壓脈沖,達到調節輸出的目的。此外,由于H橋的每一半僅在另一側完成切換后才會動作,因此工作頻率實際上會減半(見圖4)。

圖4. 降壓-升壓區域。
這種控制方法具有諸多優勢。首先是效率方面,由于在降壓-升壓區域開關頻率減半,開關損耗隨之減少。在電磁干擾(EMI)方面也有類似的改善效果。盡管開關頻率減半,但它始終保持一致,從而簡化了EMI問題。另外,這種方法還能改善瞬態響應。這是因為當輸出略高于輸入時,有效升壓占空比會更低。因此,在這種控制方案中,降壓-升壓區域的右半平面零點(RHPZ)可保持在更高頻率。
要了解電路在降壓-升壓區域中的調節方式,不妨考慮輸入略高于輸出的情況。在降壓-升壓周期的一開始,通過閉合開關1和3來控制降壓側,這會使得電感電流以(VIN - VOUT )/L1的斜率上升至峰值。一旦降壓導通時間結束,控制環路將斷開開關1并閉合開關2。在降壓周期的關斷時間內,電感電流將以VOUT /L1的斜率下降至谷值,從而確定電感的峰峰值紋波。當降壓側完成一個完整的開關周期后,邏輯電路將切換至升壓側。升壓側首先會斷開開關2,并保持開關1和3閉合,這一動作對應升壓的關斷時 間。此時電感電流將以與降壓導通時間相同的方式上升,電流斜率為(VIN - VOUT )/L1。當升壓關斷時間結束后,控制環路將通過斷開開關3并閉合開關4來設定升壓導通時間,這會使得電感電流以 VIN /L1的斜率重新上升至降壓導通時間開始時的水平(見圖5)。

圖5. 降壓-升壓開關(VIN > VOUT )。
接下來,考慮VIN略低于VOUT的情況。在這種情況下,每個開關周期保持不變。兩種情況的主要區別在于:當VIN > VOUT時,電感電流紋波由降壓關斷時間設定;而當VIN < VOUT時,電感電流紋波則由升壓導通時間設定。在降壓-升壓區域中,電感電流紋波還會翻倍,這是因為H橋的降壓側和升壓側的工作頻率減半。如圖6 所示,電感電流僅在一個完整的降壓和升壓周期完成后才會完成一個完整周期。

圖6. 降壓-升壓開關(VOUT > VIN )。
在降壓-升壓電路中,當電路進入降壓-升壓區域時,整體功率級效率會下降。而采用交替控制時,降壓-升壓區域的效率可得到提升,這得益于降壓-升壓區域內有效頻率的降低。例如,在降壓工作模式下,若工作頻率為2.1 MHz,則開關1和開關2每476 ns 完成一次開關動作。當電路在升壓區域工作時,開關3和開關4的工作邏輯同理。而在降壓-升壓區域工作時,這一機制仍然成立,只是此時開關會在兩側之間交替切換。這意味著,即使在降壓-升壓區域,開關動作的次數仍然保持不變,從而使這種控 制方法的效率更優。
來看一下輸出略高于輸入的情況。此時電路處于降壓-升壓區域。由于電路的升壓作用強于降壓作用,升壓模式的RHPZ對電路的影響將更為顯著。而采用降壓-升壓交替控制時,這種影響會減弱,因為在升壓區域,電感電流能夠以更長的時間斜坡上升。這也意味著,輸入電壓的變化對輸出的影響更小,原因在于電感電流可通過更長的斜坡上升時間,更快地補償輸入電壓的波動。
在對降壓-升壓集成電路進行補償時,交越頻率的選擇必須考慮最壞情況下的負載、輸入電壓、輸出電容值和電感值。由于降壓-升壓集成電路可在升壓區域工作,最壞情況下的VIN可能會使電路進入純升壓模式。當電路工作在純升壓模式時,會受到 RHPZ的額外限制。由于RHPZ與電感充電和向輸出端傳輸能量之間的時間延遲相關,因此必須對環路進行補償,使其頻率為該零點頻率的1/3至1/5。正因如此,即便在無RHPZ的降壓區域有更大帶寬可用,降壓-升壓電路的瞬態響應仍會受到限制。通常,為了補償控制環路,會使用由補償電阻Rcomp1和補償電容Ccomp組成的阻容(RC)補償網絡,以提供合適的相位和增益。為了優化升壓和降壓區域的瞬態響應,可在RC補償網絡中額外增添一個電阻(Rcomp2),并在Rcomp2兩端并聯一個開關,使其根據電路工作區域來接入或斷開補償網絡。當電路工作在升壓模式時,開關將Rcomp2短路,從而降低交越頻率;當電路進入降壓-升壓或降壓區域時,開關斷開,Rcomp2有助于進一步提升增益和相位。這將產生提高交越頻率的效果。這種工作方式可使電路在升壓區域具有足夠低的交越頻率,同時在降壓區域具有足夠高的交越頻率(見圖7)。

圖7. 瞬態改善電路。
降壓-升壓電路的控制環路實現方式有多種,其中最受關注的是平均電流模式控制,它具備其他控制方式所不具備的諸多優勢。
在平均電流模式控制中,電感電流會被感測并與補償電平進行比較,隨后輸入至包含RC補償網絡的內環誤差放大器。該積分器為內環提供高增益,經補償的內環信號再與鋸齒波比較以生成占空比。這種設計具備更強的抗噪能力,因為環路調節的是平均電流,電感波形中的任何電流尖峰都會被濾除。以峰值或谷值電流模式控制為例,當感測到的電感電流相對于峰值或谷值較小時,若感測電流上的任何尖峰未經過前沿消隱或濾波處理,可能會導致采樣錯誤,進而削弱抗噪聲能力。即便采用濾波措施,在低負載電流下,斜率補償量相對于感測信號可能過大,也會造成調節偏差增大。
由于平均電流模式控制在內環電流環路中采用積分器,并將鋸齒波輸入至比較器以生成占空比,其最小導通時間和最小關斷時間顯著小于峰值電流模式或谷值電流模式。后兩種模式因需配置前沿消隱等電路,會導致最小導通/關斷時間更長。
平均電流模式控制無需斜率補償,由此簡化了最大電流限制的設計,因為它不再受附加斜率的影響。由于無需斜率補償,與峰值電流模式相比,平均電流模式在不連續導通模式(DCM)下也具有更優的性能,而峰值電流模式中斜率補償量可能在感測信號中占比較大。
多轉換器并聯運行時,平均電流模式控制可實現最佳均流效果。這是因為外環會設定各轉換器的平均電流,而峰值或谷值電流模式由于各轉換器電感存在細微差異,會導致電流出現偏差。
目標是設計一個電路,其VIN范圍為6 V至18 V,VOUT為13 V,負載為 2.5 A,需盡量減少輸出電容,而且要使VOUT pp在±5%以內。若要將輸出電容最小化,可先選擇2.1 MHz的開關頻率。在2.1 MHz頻率下,電感值通常選用1 μH。VOUT限值允許650 mV的瞬態波動。為估 算所需的輸出電容,首先需考慮最壞情況的VIN,這種情況會使電路處于升壓區域。在升壓區域中,RHPZ可通過公式1計算。

通過求解RHPZ并將其除以5,可將升壓區域的交越頻率設定為 35 kHz。輸出電容可通過公式2進行估算。

通過求解該公式,估算出輸出電容為17.5 μF。將該值向上取整為 22 μF。在選定元件后,可從升壓區域開始設計補償網絡,以實 現35 kHz的交越頻率。選定Rcomp和Ccomp后,就必須針對18 VIN的降壓區域對電路進行補償。由于該區域不存在RHPZ,因此將交越頻率選為100 kHz,隨后可調節Rcomp2來實現這一交越頻率。一切就緒后,需檢查每種情況下的瞬態響應。由于添加了Rcomp2,降壓區域和降壓-升壓區域中的瞬態響應得以改善。參見圖8、圖9和圖10。

圖8. 6 VIN時的升壓瞬態(426 mV)。

圖9. 18 VIN時的降壓瞬態(167 mV)。

圖10. 13 VIN時的降壓-升壓瞬態(201 mV)。
為優化降壓-升壓電路,可采用降壓-升壓交替控制。相較于傳統控制方法,交替控制具有諸多優勢,包括改善瞬態響應、提升效率、簡化設計及降低電磁干擾(EMI)。此外,通過增添補償電阻Rcomp2來拓展控制環路帶寬,可進一步優化降壓-升壓電路的瞬態響應性能。
推薦閱讀:
Cadence與愛芯元智強強聯合,為智能設備打造高性能“芯”引擎







