【導讀】投射式電容觸摸屏能夠根據手指輕觸屏幕進行的觸摸定位。它通過測量電容的微小變化來確定手指的位置。開發具有觸摸屏界面的移動手持設備可能是一項復雜的設計挑戰,尤其是對于代表當前多點觸控界面主流技術的投射式電容觸摸屏而言。此類觸摸屏應用的一個關鍵設計考慮因素是電磁干擾 (EMI) 對系統性能的影響。在本文中,我們將探討可能對觸摸屏設計產生負面影響的干擾導致性能下降的,以及如何減輕它們的影響。
投射式電容觸摸屏能夠根據手指輕觸屏幕進行的觸摸定位。它通過測量電容的微小變化來確定手指的位置。開發具有觸摸屏界面的移動手持設備可能是一項復雜的設計挑戰,尤其是對于代表當前多點觸控界面主流技術的投射式電容觸摸屏而言。此類觸摸屏應用的一個關鍵設計考慮因素是電磁干擾 (EMI) 對系統性能的影響。在本文中,我們將探討可能對觸摸屏設計產生負面影響的干擾導致性能下降的,以及如何減輕它們的影響。
投射電容觸摸屏幾何結構
典型的投射電容傳感器安裝在玻璃或塑料蓋板的下面。圖 1 顯示了兩層型傳感器的簡化邊緣視圖。發射 (Tx) 和接收 (Rx) 電極繪制在透明的氧化銦錫 (ITO) 中,形成交叉跡線矩陣,每個 Tx-Rx 結都具有特征電容。Tx ITO 位于 Rx ITO 下方,由一層薄薄的聚合物薄膜和/或光學透明粘合劑 (OCA) 隔開。如圖所示,Tx電極從左向右運行,Rx電極運行到頁面中。

圖 1: 傳感器幾何參考
傳感器正常運行
操作員的手指名義上處于地電位。觸摸屏控制器電路將 Rx 保持在地電位,并改變 Tx 電壓。變化的 Tx 電壓會感應電流流過 Tx-Rx 電容。精心平衡的 Rx 積分電路隔離并測量進入 Rx 的電荷移動。該測量電荷表示連接 Tx 和 Rx 的“互電容”。
傳感器條件:未觸及
圖 2 顯示了未觸及條件下的磁通線。在沒有手指觸摸的情況下,Tx-Rx 場線會占據蓋板內相當大的空間。這些邊緣場線投射到電極幾何形狀之外——因此稱為“投射電容”。

圖 2: 未觸及的通量線
傳感器條件:觸摸
當手指觸摸蓋板時,Tx 和手指之間會形成通量線,從而取代大部分 Tx-Rx 邊緣場,如圖3所示。以這種方式,手指觸摸減少了Tx-Rx互電容。電荷測量電路識別這種變化的電容 (delta C),并檢測到手指在 Tx-Rx 結點上方的存在。通過在 Tx-Rx 矩陣中的所有交叉點進行 delta C 測量,生成面板上的觸摸圖。

圖 3: 接觸的磁通線
圖 3 展示了一個重要的附加效應:手指和 Rx 電極之間的電容耦合。通過這條路徑,電干擾可能會耦合到 Rx 上。某種程度的 finger-Rx 耦合是不可避免的。
有用的術語
投射式電容觸摸屏中的干擾是通過不完全直觀的寄生路徑耦合的。術語“接地”通常可互換使用,指的是直流電路參考節點或與地球的低電阻連接。這些不是相同的術語。事實上,對于便攜式觸摸屏設備而言,這種差異是觸摸耦合干擾的本質原因。為了澄清和防止混淆,我們將在評估觸摸屏干擾時使用以下術語。
接地 ——連接到地球,例如通過 3 針交流電源插座的接地針
分布式地球 ——物體與地球的電容連接
直流接地 (GND) – 便攜式設備的直流參考節點
直流電源 ——便攜式設備的電池電壓。或者,連接到便攜式設備的充電器的輸出電壓,例如 USB 接口充電器的 5V Vbus。
DC VCC – 為便攜式設備電子設備供電的穩壓電壓,包括 LCD 和觸摸屏控制器
中性- 交流電源返回,標稱地電位
熱– 交流電源電壓,相對于中性點通電
耦合到觸摸屏接收線的 LCD Vcom
便攜式設備觸摸屏可以直接安裝在 LCD 顯示器上。在典型的 LCD 配置中,液晶材料偏置在上下透明電極之間。下電極定義顯示器的各個像素。上部公共電極是橫跨顯示器可見正面的連續平面,偏置電壓為 Vcom。在手機等典型低壓便攜式設備中實現的交流 Vcom 電壓是在直流接地和 3.3V 之間振蕩的方波。AC Vcom 平面通常每顯示行切換,因此產生的 AC Vcom 頻率是顯示幀刷新率乘以行數的一半。典型的便攜式設備 AC Vcom 頻率可能為 15 kHz。圖 4 顯示了 LCD Vcom 電壓如何耦合到觸摸屏中。

圖 4: LCD Vcom 干擾耦合模型
兩層觸摸屏是通過 Tx 和 Rx 陣列在單獨的 ITO 層上實現的,由介電層隔開。Txtraces 占據 Tx 陣列間距的整個寬度,僅由制造所需的 trace-trace 間隙分隔。這種類型的結構稱為自屏蔽,因為 Tx 陣列將 Rx 陣列與 LCD Vcom 屏蔽開來。然而,仍有可能通過 Tx 條帶之間的間隙發生耦合。
為了經濟建設和實現更好的透明度,單層觸摸屏在單個 ITO 層上實現了 Tx 和 Rx 陣列,并應用了單獨的分立橋來跨越一個陣列。因此,Tx 陣列不會在 LCD Vcom 平面和傳感器 Rx 電極之間形成屏蔽層。這表示潛在的嚴重 Vcom 干擾耦合情況。
充電器干擾
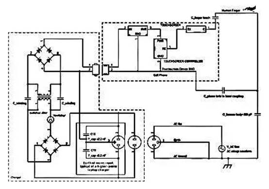
觸摸屏干擾的潛在是市電手機充電器中的開關電源。干擾通過手指耦合到觸摸屏,如圖5所示。小型手機充電器通常具有交流電源火線和零線輸入,但沒有接地連接。充電器是安全隔離的,因此電源輸入和充電器次級之間沒有直流連接。但是,開關電源隔離變壓器仍然存在電容耦合。充電器干擾的返回路徑是通過手指觸摸屏幕。
請注意,在這種情況下,充電器干擾是指相對于地向設備施加的電壓。這種干擾可能被描述為“共模”,因為它同樣出現在直流接地和直流電源上。如果沒有充分過濾,充電器輸出直流地和直流電源之間出現的電源開關噪聲可能會影響觸摸屏操作。此電源抑制比 (PSRR) 是一個單獨的問題,本方案未解決。

圖 5: 充電器干擾耦合模型
充電器耦合阻抗
充電器開關干擾由變壓器初級-次級繞組漏電容耦合,約為 20 pF。這種弱耦合的影響被充電器電纜和受電設備本身中出現的分布式接地寄生分流電容所抵消。將設備握在手中應用更多分流,通常足以有效縮短充電器開關干擾并防止干擾觸摸操作。當便攜式設備連接到充電器并放在桌面上并且操作者的手指僅接觸觸摸屏時,會出現壞情況的充電器產生的干擾情況。
充電器開關干擾組件
典型的手機充電器使用反激式電路拓撲。它們產生的干擾波形很復雜,并且在充電器之間變化很大,具體取決于電路細節和輸出電壓控制策略。干擾幅度有很大差異,這取決于制造商為開關變壓器中的屏蔽分配的設計工作量和單位成本。典型參數包括:
波形:復雜,由脈沖寬度調制方波和隨后的 LC 振鈴組成
頻率:標稱負載下為 40 – 150 kHz,當負載非常輕時,脈沖頻率或跳周期操作將頻率降至 < 2 kHz
電壓:高達電源峰值電壓的二分之一 = Vrms / sqrt(2)

圖 6
充電器市電干擾元件
在充電器前端內部,交流市電電壓經過整流后產生充電器高壓軌。因此,充電器開關電壓分量處于電源電壓二分之一的正弦波上。與開關干擾類似,該電源電壓也通過開關隔離變壓器耦合。在 50 或 60 Hz 時,該組件的頻率遠低于開關頻率,因此其有效耦合阻抗成比例地更高。電源電壓干擾的重要性取決于對地分流阻抗的特性以及觸摸屏控制器對低頻的靈敏度。
電源干擾特殊情況:3 針插頭未接地
額定功率更高的電源適配器,如筆記本電腦交流適配器,可能配備 3 針交流電源插頭。為了抑制輸出端的 EMI,充電器可能會將電源接地引腳內部連接到輸出直流接地端。此類充電器通常將 Y 電容器從電源線和中性線連接到地,以抑制電源上的傳導 EMI。如果按預期存在接地連接,則此類適配器不會對通電 PC 和 USB 連接的便攜式觸摸屏設備造成干擾問題。這種配置由圖 5中的虛線框表示。
如果將具有 3 針電源輸入的 PC 充電器插入沒有接地連接的電源插座,則 PC 及其 USB 連接的便攜式觸摸屏設備會發生充電器干擾的特殊情況。Y 電容器將交流電源耦合到輸出直流地。相對較大值的 Y 電容器非常有效地耦合電源電壓,導致通過觸摸屏上的手指以相對較低的阻抗耦合較大的電源頻率電壓。
總結
當今便攜式設備中普遍使用的投射式電容觸摸屏容易受到電磁干擾。干擾電壓從觸摸屏設備內部和外部的源電容耦合。這些干擾電壓會導致觸摸屏內的電荷移動,這可能與由于手指觸摸屏幕而測量到的電荷移動相混淆。觸摸屏系統的有效設計和優化取決于了解干擾耦合路徑并盡可能地減輕或補償它們。
干擾耦合路徑涉及寄生效應,例如變壓器繞組電容和手指設備電容。對這些影響進行適當的建模可以詳細了解干擾的和大小。
免責聲明:本文為轉載文章,轉載此文目的在于傳遞更多信息,版權歸原作者所有。本文所用視頻、圖片、文字如涉及作品版權問題,請聯系小編進行處理。
推薦閱讀:





