【導讀】目前,許多現代建筑自動化系統的難處在于打造高效能電源管理方案,除了延長電池壽命,在攸關生命安全的應用中,更得確保運作穩定。本文將介紹無線建筑自動化系統的高效能電源管理。
鋰亞硫酸氯電池、脈沖頻率調變轉換器、新式奈米耗能長周期定時器均可在休眠周期內,維持極低用電量,讓無線建筑自動化系統超越有線系統。
目前,許多現代建筑自動化系統皆仰賴無線連接,不僅可簡化安裝程序,亦適合快速調整與擴張,不過省去線路的同時,設計師需要以電池供電,卻又因為得定期更換電池,影響整體系統成本。這些系統的難處在于打造高效能電源管理方案,除了延長電池壽命,在攸關生命安全的應用中,更得確保運作穩定。
概述
根據2013年「市場與市場」預估及其他數據源,由于人們追求讓工作與生活空間變得更安全、更舒適、更有效率,全球建筑自動化市場將在2018年增至近500億美元。
這塊市場擴張部分原因在于無線傳感器問世,故可輕松安裝、擴大與調整,安裝成本一大部分在于人工架設線路與銅價上揚,無線自動化基礎架構可大幅壓低成本,卻也為系統擁有者增加一項長期成本,因為沒有線路后,系統必須仰賴電池運作。
電池替換成本不一,且依據傳感器所在位置(如6公尺高的天花板或難以觸及地點),可能需要大量勞力。在理想世界中,電池在傳感器使用年限內永遠不必更換,但受限于電池化學反應老化或老舊傳感器耗電,這種想法不切實際,故多數無線建筑自動化系統里,電池壽命5年為基本要求,10年至15年則較具優勢。
減少能源損耗
設計師可透過多項領域,延長電池替換期限,首先了解需要傳感器運作的射頻環境,通常是與其他傳感器共組成網絡,在網狀結構中,部分傳感器為終端或中繼器。
由于射頻傳輸是傳感器最大耗能來源,此種配置可提高能源效能,藉由降低傳輸耗能與透過路由器重復訊息,可形成極低功率網絡,此種拓樸通常用于以IEEE802.15.4為基礎的無線網絡,例如ZigBee或6LoWPAN。
在ZigBee等網狀結構中,如何同步是一項問題,路由器節點必須隨時待命,若節點發出訊息,或是訊息送至節點,將會(先儲存)再轉發至其他可用節點。
在超低功率裝置內,休眠模式會大幅降低用電量,包括射頻接收器等裝置內多數區塊都暫停運作,此時路由器節點必須通電(例如使用交流電),以監控休眠節點在運作時發出的訊息,故用電量相當不對稱,傳感器節點耗能極低,并長期休眠,而路由器節點(也可能是傳感器)持續供電,并維持接收器運作。
若希望在超低功率網絡中,省略以線路供電的路由器,定時必須非常精準,但此舉可能提高每個節點的成本與復雜度,整個網絡必須在極短時間內蘇醒、溝通、再次休眠,每次周期之間距離愈長,定時需求就愈高,若網絡內某個節點未趕上同步,就得持續運作,直至下次蘇醒周期再重新同步,這種情況必須盡可能避免在電池供電網絡內發生。
在最實際的無線網絡中,路由器持續由線路或以太網絡供電,而節點在電池供電情況下,必須盡可能提高效能,通常微控制器會關閉無線電及所有非必要裝置,而傳感器也將關閉所有模擬前端電子設備。
之后微控制器進入低功率模式,仰賴定時器定期蘇醒、啟動系統、傳送各項訊息,再進入休眠模式。
工作周期將決定用電量,以下算式依據休眠與蘇醒的用電量,估算電池壽命:

運作時間(T,單位小時)取決于工作周期,由可用能源(EA,單位瓦時)除以用電量(P,單位瓦特),算式亦可進一步擴大。
容量(C,單位安培-小時),VS與VE分別為放電起點與終點電壓,PW與PS分別為蘇醒周期與休眠周期的用電量(單位瓦特),D為蘇醒階段的工作周期(零至一)。而在使用年限超過五年的應用情況中,降額定值因子α則用來調整電池容量損耗;電源轉換器效能(eff)會影響表現,因此也得納入考慮,通常效能范圍介于80%(eff=0.8)至95%(eff=0.95)之間。
這項設計其中一部分會做電源來源的選擇,此電源必須在延續10年至20年后效能仍不會大幅衰減,以及在低功率條件下維持高效能的電源轉換器(如切換穩壓器),前者可選用鋰亞硫酸氯電池(Li/SOCl2),這種產品自一九七零年代問世至今,電池壽命極長(10年至25年以上),也應用在偏遠電表及其他電池供電無線系統中,一般電壓為3.6V,且運作溫度范圍較大(–55℃至125℃)。
若使用單一鋰電池,傳感器節點設計可能讓輸出從3.0V至3.6V區間提高到5.0V,或是使用TPS63001等升降壓轉換器,維持輸出在3.3V,并在升降壓情況下最高提供800mA。這項特點相當重要,因為射頻發送器可能需要大額瞬間電流,況且在休眠周期里,轉換器大多無負載,必須能自動進入脈沖頻率調變或其他脈沖省略技術,才能轉換電源。
微控制器即便進入低功率模式,在休眠周期內仍會持續運作,也依然會造成能源損耗。但至少定時器必須隨主核心關閉,以節省能源。不過即使是這種配置,仍可能出現少量毫安,縱然是MSP430等頂尖低功率微控制器,在備用模式還是需要約0.3μA的電流。
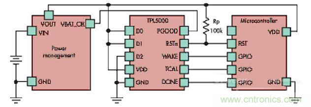
新式解決方案采用針對長休眠期特制的定時裝置,德州儀器TPL5000具備可編程分配器,提供最高間隔64秒的蘇醒脈沖,運作時用電量僅30nA,在極長休眠周期下,最多能為電池供電的無線傳感器延長兩年使用年限。(請見下圖)

結論
隨著電池供電的無線網絡日漸增加,安裝者與擁有者希望延長電池壽命,甚至在網絡使用年限(25年以上)內,完全不需更換電池,鋰亞硫酸氯電池、脈沖頻率調變轉換器、新式奈米耗能長周期定時器均可在休眠周期內,維持極低用電量,讓無線建筑自動化系統超越有線系統。




