【導讀】高功率密度二次電源模塊是目前發展最快的電源產品之一。對于DC/DC 低壓大電流輸出,副邊采用同步整流的有源箝位正激變換器雖有一定優點,但卻是一個使許多公司遭遇很大損失的美國專利。本文從現有高功率密度二次模塊實現的方法出發,提供一些對此類產品的開發思路和產品優化方案。
DC/DC二次電源是發展最為迅速的高頻開關電源。它主要為通信單板上的各種IC供電,其趨勢是低電壓,大電流,低厚度,高功率密度和高效率等等。產品有小功率非標準品和中大功率標準品兩類,后者是目前發展的方向,如全磚,半磚,1/4 磚和1/8 磚。標準產品的功率密度愈來愈高,輸出電壓愈來愈低,輸出電流愈來愈大,產品工藝愈來愈難。
一個生產DC/DC 二次電源模塊的公司,必須具有快速的產品響應能力,方能適應通信客戶迅速增長的需求。前幾年,不少電源公司在開發DC/DC 標準磚類產品中,一般會選擇有源箝位正激電路作為主電路,用鋁基板作為主工藝,原因是有太多的文獻對
有源箝位正激電路作了正面介紹,這些文獻對有源箝位正激變換器的優點描述如下:
(1)因輔助開關SA ,使變壓器的激磁能量得以回饋和利用;
(2)變壓器的充分去磁和I,III象限工作可減小變壓器的體積;
(3)無開關電壓尖峰,消除了吸收電路;
(4)可工作在大于0.5 的占空比范圍,從而可提高變壓器變比( Np : Ns ),減小原邊開關和變壓器的導電損耗;減小付邊二極管的反向電壓從而減小其導電損耗;減小濾波電感L 的大小等等;
(5)低壓大電流輸出時,副邊整流用的MOSFET 能方便同步地進行自驅動。要將該電路做成一個好的產品,并不是一件容易的事情,原因是它的動態關系復雜,動態指標難以優化,尤其在大動態時,非常容易損壞輔管。與其類似的專利是互補驅動半橋電路,它也是一個美國專利,也有同樣的動態問題,而且在輕載時非常容易損壞管子。
現有高功率密度二次模塊產品方案的原理和優點
標準DC/DC 二次電源(半磚,1/4 磚)模塊,采用了Buck 與DC/DC 變壓器相級聯的兩級電路方案,如圖(1)所示。初初一看,這個方案比單級方案(如有源箝位正激電路)的元器件數要多,不太合理。但通過分析,可以發現:其功率器件的總數并沒有增加(因為在低壓大電流輸出的應用場合,輸出同步整流MOSFET 即使在單級方案中也要多個并聯才能實現效率指標);磁芯和電容元件的總面積也沒有增加(因為可以用更小的磁芯和電容)。但由于兩級方案容易優化和設計,故模塊的電氣性能得到了極大的改善,具體分析見下面的介紹。

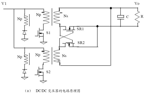
這個方案的第一級是一個同步整流Buck 變換器,它將不穩定的輸入電壓,調整到后級DC/DC 變壓器所合適的輸入電壓,通過反饋輸出和誤差放大等,去控制Buck 變換器的PWM占空比,從而穩定輸出。DC/DC 變壓器的電路和工作波形如圖2 所示:


原邊兩個主管S1 和 S2 采用方波控制,各自的占空比為50%,且互補。有下列穩態關系:
Vo=V1/N, 其中N=Np/Ns
又因為V1=dVin,所以兩級總的輸入輸出關系為:Vo=dVin/N。這個關系與正激電路是相同的。
從圖中可知,其副邊同步整流的驅動電壓為2Vo,是與負載和輸入電壓無關的常數。對這種方案進行仔細分析后,可知其有如下優點:
(1)因輸入MOSFET 的最大耐壓為Vinmax,輸出MOSFET 的最大電壓為2Vomax,故所有功率器件全部可用SO-8 封裝;
(2)因DC/DC 變壓器由兩個鐵芯實現,故大電流輸出時副邊PCB 連線的導電損耗可大大減少;
(3)由于電感放在原邊,故其設計更加容易,同時也減少了放在副邊時的導電損耗;
(4)副邊MOSFET 的自驅動很容易,且其驅動電壓固定;
(5)最大工作占空比的設計可由DC/DC 變壓器的變比決定,非常靈活;
(6)電路的動態性能優越,環路容易設計和補償;
(7)可方便多層PCB 的布板,更易提高模塊的功率密度,等等。
綜上所述 ,這種方案在那些寬輸入電壓范圍,高功率密度,低厚度,低電壓大電流輸出的應用場合(如半磚,1/4 磚模塊)具有很多單級電路所沒有的優點,可以獲得更高的效率,更好的動態,更高的功率密度和更高的可靠性。
現有高功率密度二次模塊產品方案的創新點
此方案實際上是非常簡單的兩級電路的級聯。它的創新點是敢于挑戰傳統單級電路的框框,從不同的角度考慮產品的實現。實際上,兩級PFC 與單級PFC 是極為類似的例子,在AC/DC 研究中,大家已逐漸認識到:單級PFC 可能是一個誤區,兩級才是AC/DC產品開發的最好選擇。在DC/DC 研究中,尤其是寬輸入范圍,低壓大電流輸出的那些場合,我認為有同樣的問題存在,但是在此方案提出以前,大家都沒有往這個方面去想。所以這種想法是更實際的想法,是真正的創新。
作為一個電源產品的開發,實際上是對一個多變量系統進行優化與折衷的過程,所以創新就是一種更全面解決問題的方法。如果能用最簡單的電路實現,那么便是最好的創新。此方案的創新點正在于此。他們的方案看起來非常簡單,以至于許多人都會忽略掉,但其變成產品后,且具有最好的性價比。
結論
本文從介紹現有高功率密度二次模塊模塊實現的新方法出發,對思路,創新和產品的優化作了比較。希望電源開發人員不要拘泥于傳統的觀點和思路,要從多個角度考慮問題。




