中心議題:
- 控制型軟開關PWM 控制策略
- 緩沖型軟開關對稱PWM 控制策略
文章根據控制型軟開關半橋DC/DC變換器的定義,總結和歸納了4種控制型軟開關半橋DC/DC變換器的PWM 控制策略和緩沖型軟開關半橋DC/DC變換器對稱PWM 控制策略。對上述PWM 控制策略進行了深入分析和綜合比較,為選擇具體應用場合提供了依據。
0 引 言
半橋DC/DC變換器結構簡單,控制方便,非常適用于中小功率場合。硬開關變換器高頻時開關損耗很大,嚴重影響其效率。軟開關技術可降低開關損耗和線路的EMI,提高效率和功率密度,提高開關頻率從而減小變換器體積和重量。傳統半橋變換器有兩種控制方法,一種是對稱控制,一種是不對稱互補控制。本文主要分析實現半橋DC/DC變換器軟開關的PWM控制策略。
1 控制型軟開關PWM 控制策略
控制型軟開關半橋DC/DC變換器不增加主電路元器件(可增加電感電容元件以實現軟開關條件),通過合理設計控制電路來實現軟開關。圖1給出4種控制型軟開關半橋DC/DC變換器的PWM 控制策略。

圖1 控制型軟開關PWM 控制策略
1.1 不對稱互補脈沖PWM 控制
開關管的控制脈沖不對稱互補,采用此控制策略的傳統不對稱半橋變換器已廣泛應用于中小功率場合。其原邊開關管實現ZVS的方式有2種:負載電流ZVS方式和勵磁電流ZVS方式[1].其優點是:兩個開關管都可實現ZVS;一些可改善移相全橋變換器滯后臂軟開關條件的措施也可用于不對稱半橋變換器;不存在硬開關中的震蕩問題;與移相全橋變換器相比,無循環能量。其缺點是:開關管電壓應力和開關管軟開關條件不一致,上管較難實現軟開關;整流管電壓應力不一致,且隨占空比變化,一些應用場合一個整流管電壓很高,器件較難選擇;輕載時會失去軟開關條件;變壓器直流偏磁,負載越重占空比越小,偏磁越嚴重;非常不適用于寬輸入或寬輸出電壓的應用場合。
1.2 移相脈沖PWM 控制
采用此控制策略的半橋也稱為雙有源半橋[2,3]。此控制策略與傳統的移相全橋拓撲類似,區別在于移相的兩個橋臂分布在變壓器的原副邊。此拓撲中,變壓器的漏感是中間儲能元件。原副邊半橋各產生一個占空比為50%的方波,通過調節輸出兩個橋之間的移相來控制變壓器漏感的能量從而調節輸出電壓。此拓撲可實現全負載范圍的軟開關,同時輸出又能獲得同步整流。其缺點是:循環能量非常大,輸出電流紋波大。為了改善輸出電流紋波大的缺點,移相ZVS半橋電路被提出[4].
[page]
1.3 脈沖移位PWM 控制
文獻[5]提出脈沖移位PWM 控制策略。上管下降沿與下管前沿互補,脈寬相同。可實現下管的ZVS開通,上管仍然是硬開關。其優點是:可減少部分開關損耗;變壓器不存在直流偏磁;整流管電壓應力對稱;寬范圍輸入上優于不對稱半橋。增加輔助電路可實現上管的ZVS[6].
1.4 不對稱脈沖PWM 控制
文獻[7]提出不對稱脈沖PWM 控制,其下管下降沿與上管的前沿互補,上管可實現ZVS.只要設計的占空比較小,無需其它措施即使工作在較高頻率下開關損耗也很小。變壓器直流偏磁,除占空比端點外,偏磁電流小于不對稱半橋。寬范圍適用性優于傳統的不對稱半橋。低壓大電流的應用場合有一定的優勢。
2 緩沖型軟開關對稱PWM 控制策略
對稱控制半橋變換器磁心雙向磁化,利用率高,且不存在偏磁。控制方便,控制特性線性。功率管上電壓應力低,適用于高輸入電壓場合,但此種半橋變換器較難實現軟開關,變換器效率難以得到提高。
2.1 對稱PWM 控制ZVS半橋變換器
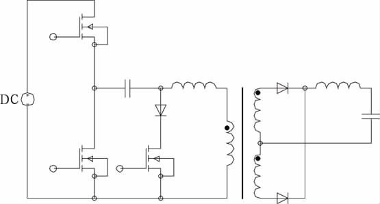
文獻[8]提出一種對稱PWM 控制ZVS半橋變換器(見圖2),其與傳統半橋電路相比,對稱PWM 控制的ZVS直流變換器增加了一個由輔助開關管和一個二極管組成的支路。其主開關管不僅工作在對稱狀態,而且下管和輔助開關管可在全負載范圍內實現ZVS,上管也能在寬負載范圍內實現ZVS,引起的附加損耗很小。該變換器器件所受應力小,可靠性高,其更適合采用MOSFET做開關管,較少應用于高電壓、大功率場合。該變換器需要利用諧振電感的儲能來實現開關管的ZVS,增大諧振電感能擴大上管ZVS范圍,但會使占空比丟失嚴重,設計諧振電感時須權衡考慮實現上管ZVS和減小占空比丟失[9].

圖2 對稱PWM 控制ZVS半橋變換器
2.2 對稱PWM 控制ZCS半橋變換器
文獻[10]提出一種對稱PWM 控制ZCS半橋變換器(見圖3),在傳統不對稱半橋電路變壓器的副邊增加了一條由輔助開關管、諧振電容和諧振電感串聯構成的輔助支路。其主開關管不僅工作在對稱狀態,而且變換器能在整個負載范圍內實現所有開關管的ZCS和所有二極管的ZVS.與對稱控制半橋一樣,輔助開關管每半個周期導通一次,利用諧振電容與變壓器漏感的諧振為全負載范圍所有開關管ZCS及所有二極管ZVS創造了條件,重載時難以實現軟開關。

圖3 對稱PWM 控制ZCS半橋變換器
[page]
3 結 論
本文明確了控制型軟開關半橋DC/DC變換器的定義,主要總結和歸納了4種控制型軟開關半橋DC/DC變換器的PWM 控制策略和2種緩沖型軟開關半橋DC/DC 變換器的對稱PWM 控制策略,對上述PWM 控制策略進行了深入分析和綜合比較,為選擇具體應用場合提供了依據。
參考文獻:
[1] 張友軍,阮新波。2種ZVS方式AHB直流變換器比較[J].電力自動化設備,2009,29(10):69-73.
[2] IONel Dan Jitaru.A 3KW switching DC-DC converter[C].New Orleans,LA,USA:Proceedings of IEEEAPEC,2000.86-92.
[3] Zhang J M,Xu D M,Qian Zhaoming.An improved dualactive bridge DC/DC converter[C].Vancouver,Canada:Proceedings of IEEE-PESC,2001.232-236.
[4] Zhang J M,Zhang F,Xie X G,et al.A novel ZVS DC/DC converter for high power applications[C].Dallas,USA:Proceedings of IEEE-APEC,2002.635-640.
[5] Hong Mao,Jaber Abu-Qahouq,Songquan Deng,et al.A new duty-cycle-shifted PWM control scheme for halfbridgeDC-DC converters to achieve zero-voltage-switching[C].Miami,FL,USA:Proceedings of IEEEAPEC,2003(2):629-634.
[6] Hong Mao,Jaber Abu-Qahouq,Shiguo Luo,et al.Amodified ZVS half-bridge DC-DC converter[C].Anaheim,Cal,USA:Proceedings of IEEE-APEC,2004.1436-1441.
[7] 謝小高,張軍明,蔡擁軍,等。半橋變流器的軟開關控制策略[J].中國電機工程學報。2006,26(3):48-52.
[8] Hong Mao,Jaber Abu-Qahouq,Luo Shiguo,et al.Zerovoltage-swiching half-bridge DC-DC converter with modifiedPWM control method[C].IEEE Trans on PE,2004,19(4):947-958.
[9] 楊海英,謝少軍。對稱PWM 控制ZVS半橋變換器研究[J].電工技術學報。2006,21(6):29-34.
[10]秦 嶺,王亞芳,張 航,等。對稱控制ZCS-PWM 不對稱半橋變換器研究[J].電氣自動化。2007,29(5):39-42.





