- 探究同步整流以及電荷保持驅動技術
- 采用同步整流電路拓撲
- 采用柵極電荷保持驅動技術
1、為什么我們使用同步整流技術:
目前,越來越多的IC芯片都需要低電壓供電。隨著功率變換器輸出電壓的降低,整流損耗成為變換器的主要損耗。為使變換器達到很高的效率,必須降低整流損耗。原有整流電路使用肖特基二極管作為整流二極管,但是由于導通壓降在低壓輸出時候相對較大,引起的損耗也是我們不能接受的。于是我們采用低導通電阻的MOSFET 進行整流,這是提高變換器效率的一種有效途徑。實現這一功能的電路就叫做同步整流電路。實現同步整流功能的MOSFET 稱作同步整流管。
2、同步整流電路拓撲簡單介紹:


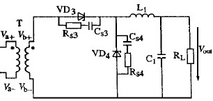
在采用了自驅動同步整流中。當變壓器次級同名端電壓為正的時候,VQ2的柵極電壓為底VQ2關斷。VQ1的柵極電壓為高,Vgd>0 則VQ1導通。電流通過L1負載VQ1流通。
當變壓器次級同名端電壓為負,VQ1關斷,VQ2開通。負載電流通過VQ2續流。這就是同步整流的基本原理。
當變換器輸出電壓在5V 左右時,可以直接利用變壓器次級電壓驅動同步整流管;當變換器輸出電壓明顯高于5V 或很低( 2. 2V以下) 時,一般附加一個繞組,利用附加繞組電壓驅動同步整流管。
[page]
3、拓撲結構及其缺點:
正激式變換器是最多使用在同步整流中的拓撲,其優點主要在于結構簡單、次級紋波電流明顯衰減,紋波電壓低、功率開關管峰值電流較低、并聯工作容易、可以自動平衡、屬降壓型變換器。它也是最早應用于低壓大電流的變換器。但其在采用同步整流時候存在以下缺點: 第一:同步整流中的死區過大使得其效率減小; 第二:整流管的體二極管不僅在導通的過程中增加了電路的損耗,而且在關斷過程中,由于其反向恢復特征,也會引起能量損耗。
由于死區產生的體二極管導通損耗分析如下:

4、柵極電荷保持驅動技術:

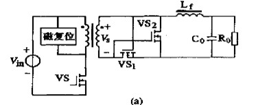
當主開關管VS 關斷時,勵磁電流流經磁復位電路。變壓器次級電壓反向,VS1 和VS3 關斷。VS2 的柵2源極寄生電容由流經VD 的電流充電。輸出電流由VS2 續流。在t2 時刻,磁復位結束,變壓器次級電壓為零。因為VD1 承受反壓截止,VS3 關斷,VS2 的柵極驅動電壓不變,因此即使變壓器次級電壓為零,VS2 保持導通續流。VS2 柵極驅動電壓一直保持到下一個開關周期開始,且VS3 導通之時。這就解決了死區時間內體二極管導通的問題。




