【導讀】驅動器在汽車設計中作為關鍵應用而存在。尤其是LED,例如汽車前燈、剎車燈、白天行車燈、儀表顯示板背光照明以及車內梳妝照明等。本文將為你解析一種新型驅動器IC實現了大功率汽車LED前燈。
汽車照明系統設計師面臨的最大挑戰之一是怎樣充分發揮最新一代HB LED的所有優勢。HB LED一般需要一個準確和高效率的直流電流源和一種調光方法。LED驅動器IC設計必須能夠在多種條件下滿足這些要求。因此,電源轉換解決方案必須效率非常高、功能非常可靠,同時必須非常緊湊,并具有很高的性價比。可以說,就驅動HB LED而言,要求最嚴苛的應用之一就是汽車前燈應用,因為這類應用須承受嚴苛的汽車電氣環境的考驗,必須提供很大的功率(一般情況下為50W~75W),必須能夠放進熱量和空間都受限的外罩中,與此同時還必須保持富有吸引力的成本結構。
汽車LED前燈
尺寸小、壽命極長、低功耗、強大的調光能力等優勢是HB LED前燈得到廣泛采用的催化劑。幾年前,奧迪、戴姆勒、雷克薩斯等汽車制造商都開始采用LED,以設計非常與眾不同的行車燈或前燈的“眉毛”,以此彰顯其品牌的與眾不同。在謳歌的寶石眼設計、保時捷的4象限設計以及無數新出現的設計中,LED前燈設計都體現了類似的趨勢。
將LED用于汽車前燈有幾種積極影響。首先,這種前燈不需要更換,因為其固態器件壽命超過10萬小時(11.5年使用年限),這超過了車輛的使用壽命。因此汽車制造商可以永久性地將LED嵌入到前燈設計中,而無需考慮更換問題。這使前燈的款式能夠有很大的變化,因為LED照明系統不需要氙氣燈(HID)或鹵素燈那樣的深度或面積。在靠輸入電功率提供光輸出(以流明為單位)時,HB LED的效率也比鹵素燈高(而且不久就將高于HID ) 。這有兩個方面的積極影響。
首先,LED照明系統從汽車總線消耗的電功率較低,這在電動型汽車和混合動力汽車中尤其重要,而同等重要的是,LED照明系統減少了需要從外殼散出的熱量,從而無需任何笨重、昂貴的散熱裝置。最后,通過使用HB L E D陣列,并以電子方式改變其方向或對其進行調光,這樣的解決方案可設計成在很多不同的行駛條件下優化照明。
設計參數
為了確保最佳性能和較長的工作壽命,LED需要一種有效的驅動電路。這類驅動器IC必須提供準確的直流電流源,而且無論輸入電源的變化范圍有多寬,都要提供嚴格控制的LED電壓調節。汽車電池總線中見到的極端電壓范圍為冷發動/啟停情況下的4.7V至負載突降情況下的60V。但更常見的是,電池總線電壓在通常情況下工作在9V~16V。因為很多這類新型LED前燈應用使用4至8個串聯HB LED,且電壓降為12V~25V,而電池總線電壓范圍可能為4.7V~60V,所以需要升降壓拓撲給LED供電,其原因是輸入電壓可能高于、低于或等于所需的LED串電壓。其次,LED驅動器必須提供一種調光方法,并提供多種保護功能,以防遭遇LED開路或短路問題。除了可在電氣環境十分嚴苛的汽車電源總線可靠工作,LED驅動器還必須具備高性價比和占用空間小的特點。
[page]
一種新型同步升降壓HB LED驅動器
LED驅動器LT3791是一款同步升降壓DC/DC LED驅動器和電壓控制器,可提供超過100W的LED功率。其4.7V~60V輸入電壓范圍使該器件非常適合多種應用,包括汽車、卡車,甚至航空電子設備的HB LED前燈。同樣,其輸出電壓可以在0V~60V范圍內設置,從而使其能夠在單串中驅動多個LED。
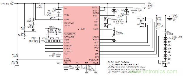
圖1所示為一個典型50W前燈應用。該應用使用單個電感準確地調節25V/2ALED串,提供50W LED功率。這個電路提供50:1 PWM調光比,能很好地滿足防眩光自動調光要求。輸入和輸出LED電流受到監視,同時提供故障保護,以承受并報告開路或短路LED情況。

圖1:具50:1調光比、效率達98%的50W(25V、2A)升降壓LED驅動器。
其內部4開關升降壓控制器能夠在高于、低于或等于輸出電壓的輸入電壓下工作,非常適合汽車應用。降壓、直通和升壓工作模式之間的轉換是無縫的,盡管電源電壓變化范圍很寬,也能提供良好穩定的輸出。LT3791的獨特設計采用3個控制環路,監視輸入電流、LED電流和輸出電壓,從而提供最佳的性能和可靠性。
LT3791采用4個外部開關MOSFET,能夠以高達98%的效率連續提供從5W直至超過100W的LED功率,參見圖2。在以常規方法供電的車輛中,高效率很重要,可最大限度降低對散熱措施的需求,實現占板面積非常緊湊的扁平解決方案。而在電動汽車中,這種功率節省還延長了兩次充電之間車輛可行駛的里程。

圖2:圖1中的LED效率。
±6%的LED電流準確度確保了一個LED串中的每個LED都有恒定亮度,同時,±2%的輸出電壓準確度可用來提供幾種LED保護功能,而且還使轉換器能夠作為恒定電壓源工作。LT3791可按照應用要求,使用模擬或PWM調光。此外,其開關頻率可在200kHz~700kHz設定,或同步至一個外部時鐘。其他功能包括輸出斷開、輸入和輸出電流監視,以及集成的故障保護。相關閱讀:
高亮度、低成本的LED驅動初級端調節技術
可延長14min的太陽能LED驅動器電路設計
突破進展:LED驅動電路實現多通道設計




