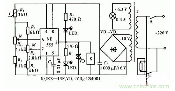
【導讀】本文將為大家介紹一款溫度區間控制電路設計,該電路的工作原理是220V市電經變壓器T降壓、VD2一VD5橋式整流、C2濾波后供給整個電路。具體的電路設計請看下文。
電路工作原理:220V市電經變壓器T降壓、VD2一VD5橋式整流、C2濾波后供給整個電路。開關S閉合后,由于此時M點電位低于1/3Vcc,555電路被置位,輸出端3腳為高電平,繼電器K吸合,觸點K-1接通所控加熱電路,使溫度卜升,同時發光二極管LED指示。

發布時間:2014-07-11 責任編輯:sherryyu

我愛方案網 ICGOO元器件商城 創芯在線檢測 芯片查詢 天天IC網 電子產品世界 無線通信模塊 控制工程網 電子開發網 電子技術應用 與非網 世紀電源網 21ic電子技術資料下載 電源網 電子發燒友網 中電網 中國工業電器網 連接器 礦山設備網 工博士 智慧農業 工業路由器 天工網 乾坤芯 電子元器件采購網 亞馬遜KOL 聚合物鋰電池 工業自動化設備 企業查詢 工業路由器 元器件商城 連接器 USB中文網 今日招標網 塑料機械網 農業機械 中國IT產經新聞網 高低溫試驗箱
關閉
關閉